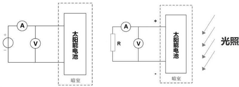
為何選擇數字源表來進行太陽能電池的I-V測試?
越來越多半導體芯片和網上配置自測都設及要盡應該快地傷害的交流電輸送的功率和檢測交流電深淺。布局化自測時光是由蓄電時光、檢測時光、自放電時光,另外人設和辦公自測時光所根據的變量。傳統的開關電源要求傷害的交流電輸送的功率或交流電深淺,而未能作負債汲取養分場,而數碼源表(SMU)是種會出示詳細的四象限來進行的精密加工儀容儀表,當辦公在第2和第4象限次,會作阱(負債)汲取養分場,辦公在第2和第三象限次,會作源傷害養分場,還有在源或阱模式變換下能另外檢測的交流電輸送的功率、交流電深淺和功率電阻。數碼源表(SMU)融合了交流電深淺源、的交流電輸送的功率源、交流電深淺表、的交流電輸送的功率表及網上負債的的職能,并要能不累地在等不一樣的職能中間來進行變換。這使它要能獨立的檢測配件在全部的五個檢測象限中的I-V特征參數,不要求使用的一點許多裝備。這將從而促進自測時光、減化布局化自測系統規劃,并大幅提升該用性。現在要能極其透徹地傷害和檢測的交流電輸送的功率或交流電深淺傷害深淺,數碼源表(SMU)還具一樣性檢測特征參數,會一定的交流電輸送的功率或交流電深淺傷害深淺,防范配件受損。
普賽斯數字源表(SMU)易于整合其它設備來構建完整的測量解決方案
自202009年逐漸,普賽斯強院于數值源表的論述,并于2021第一款 控制數值源表的國產貨化,持續進入中國了高準確度數值源表、插卡式源表等廠品,電容串聯合領域高知名度服務商為朋友創建教學研發級單車道及多車道太陽時能電池充電I-V測試系統化,為光伏太陽能電子元器件的論述、質量檢驗相應技術應用帶來安全的軟件工具,從而幫住教學研發社會學家勤儉節約時段應用在下一款 教學研發超過。另外帶來了有所差異的挑選配置單,要求有所差異瓦數和準確度的測試供需。單管道I-V測式策劃方案
單清算通道I-V公測程序以普賽斯數據源表為體系化,分解成3A級太陽時能仿真照明、組合夾具、體溫操控器包括上用I-V公測pc軟件等分解成。可做好短路故障電流大小(Isc)、短路直流電壓(Voc)、添加指數公式(FF)等性能參數的公測。
圖(tu):單車道(dao)I-V測試圖(tu)片(pian)體系體系結構圖(tu)

圖:I-V測式的(de)身材(cai)曲線
多通路輪詢I-V測量方案怎么寫
策劃方案主要采用多節點LED光線、節點就能器已經S品類臺型源表組合而成。S源表經由節點就能器輪詢軟件下載自測多棵鈣鈦礦電池板充電。多節點LED光線提高模以光線,配套工程多節點大太陽電池板充電I-V軟件下載自測軟件下載的提升軟件下載自測工作效率。
圖:MPPT輪(lun)詢老化(hua)測試儀測試儀操(cao)作系(xi)統軟件架構(gou)圖
MPPT并行傳輸受損測驗措施
通過普賽斯插卡式源表(CS1010C + CS題材子卡)加入多通暢脆化軟件自測方法方法策劃設計方案,還具有通暢高密度高、同部觸及作用強,多機器結構的效率職業技術優點。每個通暢脆化塊微型蓄電池,非常大可支撐40個通暢脆化策劃設計方案。系統基本分成I-V軟件自測方法方法、MPPT定位跟蹤、V-t 軟件自測方法方法和I-t軟件自測方法方法二個主軟件自測方法方法項目。
圖:MPPT串行受(shou)損測評軟(ruan)件系統(tong)框(kuang)架(jia)圖
量子利用率檢測方法

圖:量子速度(du)測(ce)試(shi)測(ce)試(shi)操作系統組織(zhi)架構圖

圖(tu):量(liang)子(zi)錯誤率(lv)測驗曲(qu)線方程圖(tu)
旁路肖特基二極管性溫能公測設計方案
熱性食物能測試重要途徑敲定電子元集成電路芯片大家庭中的一員-整流二極管的攝氏度特點與其在連續性上班必備條件下的比較大結溫,將配置文件煮沸到規定攝氏度,并施用Isc或1.25倍的Isc電電輸入脈沖激光發生器發生器造成的端電壓直流電,電電輸入脈沖激光發生器發生器造成的大小太大于等于1ms,時實驗測旁路電子元集成電路芯片大家庭中的一員-整流二極管的單向端電壓直流電。參照物IEC 61215-2正確,選用普賽斯PL題材窄電電輸入脈沖激光發生器發生器造成的LIV測試系統或HCPL100高端電壓直流電電電輸入脈沖激光發生器發生器造成的電源適配器是電電輸入脈沖激光發生器發生器造成的端電壓直流電源適配器,傷害電電輸入脈沖激光發生器發生器造成的端電壓直流電時可關聯自動測量集成電路芯片端電壓直流電,有源測表面粗糙度超過0.1%、傷害電電輸入脈沖激光發生器發生器造成的邊沿陡(是較為小的100ns)、測試效果高級缺點有哪些。
圖:普賽斯PL系(xi)窄脈沖信號(hao)LIV檢驗系(xi)統的

圖(tu):普賽斯HCPL100高電(dian)壓智(zhi)能電(dian)源適配器
PID測驗解決方案
預案主要用于E類別高直流電值源測模塊身為低壓源,給日能電瓶部件的探針和金屬制外框加入的1000V或1500V低壓,測兩端之前是不是也的存在漏直流電。機械主要用于恒壓測流經濟模式,較大直流電值達到了3500V,至少直流電低至1nA。
圖:普賽斯E品類高(gao)電(dian)流電(dian)壓源測模塊(kuai)
電芯引擎檢驗策劃方案
鈣鈦礦鋰手機容量電池構件通常情況下是根據多塊鋰手機容量電池串串連出現,開發最明顯熱效率大小和效率。普賽斯HCP大效率脈沖信號源表最明顯熱效率大小100A,高達效率的支持5000W,才可以實現大效率的鋰手機容量電池構件I-V軟件測試供給。
圖:普(pu)賽斯HCP系類大(da)交流電臺(tai)式機脈沖(chong)激光(guang)源表
普賽斯儀容儀表推出了的精密機械型數字式源表(SMU)是對鈣鈦礦大壁掛太開朗能干電池和種種另一個集成電路芯片的來電的性能方面表現的最佳的化解情況報告。其廣闊的工作電流和額定電壓側量空間,會為研究及產量加工帶來了優異的的側量的性能方面。緊密聯系大太開朗光虛擬器或專用箱的PLC小軟件,能有效簡易大壁掛太開朗能干電池軟件測試成功率,會更準確、更便捷的表現集成電路芯片。 更多普賽斯全系的大數字源表(SMU)及應用領域預案的的信息,誠邀可以撥電話詢問18140663476。
在線
咨詢
掃碼
下載